Fori.vn – Sản phẩm tốt – giá tốt nhất
SUẤT ĐIỆN ĐỘNG CẢM ỨNG TRONG ĐOẠN DÂY CHUYỂN ĐỘNG
TÓM TẮT LÝ THUYẾT
Yêu cầu:
– Các tính chất của suất điện động cảm ứng trong một đoạn dây dẫn chuyển động: chiều (quy tắc bàn tay phải), độ lớn.
– Ứng dụng trong máy phát điện.
Nội dung:
1. Hiện tượng
Khi một đoạn dây dẫn chuyển động cắt các đường sức từ thì trong đoạn dây đó xuất hiện suất điện động cảm ứng.

Hình 1. Dòng điện cảm ứng xuất hiện khi dây dẫn chuyển động.
2. Suất điện động cảm ứng
– Chiều (quy tắc bàn tay phải): Đặt bàn tay phải hứng các đường sức từ, ngón cái choãi ra 900 hướng theo chiều chuyển động của đoạn dây, khi đoạn dây dẫn đóng vai trò như một nguồn điện, chiều từ cổ tay đến bốn ngón tay chỉ chiều từ cực âm sang cực dương của nguồn điện đó.
– Độ lớn:
![]()
Trong đó, θ là góc hợp bởi
và
.
Hình ảnh trên internet
3. Máy phát điện
Máy phát điện đơn giản gồm một khung dây dẫn hình chữ nhật ABCD có thể quay quanh trục. Khi khung dây quay, các cạnh AD, BC cắt các đường sức. Vì vậy, trong các đoạn dây đó xuất hiện suất điện động cảm ứng. Tùy theo cách đưa suất điện động ra mạch ngoài, ta sẽ có máy phát điện xoay chiều và máy phát điện một chiều.

Hình 2. Máy phát điện một chiều.

Hình 3. Máy phát điện xoay chiều.
BÀI TẬP MINH HỌA
Bài 1: Một thanh dẫn điện dài 20 cm tịnh tiến trong từ trường đều, cảm ứng từ B = 5.10-4 T. Vector vận tốc của thanh vuông góc với vector cảm ứng từ và có độ lớn bằng 5 m/s. Tính suất điện động cảm ứng trong thanh.
Lời giải:
Độ dài thanh l = 20 cm = 0,2 m.
Góc hợp bởi giữa vector vận tốc và vector cảm ứng từ là 900. Suất điện động cảm ứng trong thanh là:
![]()
ĐS: 5.10-4 V
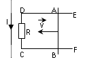
Bài 2: Một thanh dẫn điện dài 20 cm được nối hai đầu của nó với hai đầu của một đoạn mạch điện có điện trở 0,5 Ω. Cho thanh tịnh tiến trong từ trường đều cảm ứng từ B = 0,08 T với tốc độ 7 m/s. Hỏi số chỉ của ampe kế đặt trong mạch điện đó là bao nhiêu? Cho biết vector vận tốc của thanh vuông góc với các đường sức từ và điện trở của thanh rất nhỏ.
Lời giải:
Độ dài thanh l = 20 cm = 0,2 m.
Thanh chuyển động vuông góc với các đường sức từ nên trong thanh xuất hiện suất động cảm ứng có độ lớn là:
![]()
Thanh đóng vai trò như nguồn điện khi nối hai đầu với mạch ngoài. Dòng điện trong mạch điện khi đó là:
![]()
Vậy số chỉ của ampe kế đặt trong mạch là 0,224 A
ĐS: 0,224 A













Để lại một bình luận
Hãy trở thành người đầu tiên bình luận!